TCL 65" C6KS Latam Version Review por AVmaniacos.com

Tema en 'Reviews y Unboxings de AVmaniacos.com' iniciado por abg360, 1/1/26.

  1. abg360

    abg360 Calibrador de Video Miembro del equipo

    TCL en sus modelos de entrada presentó en 2025 también una alternativa algo más económica a la C6K que revisamos, también repitiendo con un panel de 120hz hasta 144hz pero sólo en 1440p y ya no en 4K, el panel igual presenta la tecnología HVA, cuenta con un procesador de menor potencia, así como menos almacenamiento y varios recortes respecto a la C6K como la falta de Filmmaker Mode, pero si cuenta con Dolby Vision a pesar del precio. Las zonas de local dimming en el modelo varían de acuerdo el tamaño.

    El modelo de la revisión es un LCD con un panel HVA de 10 bits (pero son 8bits+ FRC) con el sistema de Full Array Local Dimming de 242 zonas (22h x 11v) en el de 65".

    Este modelo lo encontramos en nuestro país en los tamaños de 50",55" 65" y 75", los cuales son todos los tamaños en esta serie.

    Captura de pantalla 2026-03-07 104954.png
    *En USA este modelo se le llama QM5K, compartiendo las mismas especificaciones salvo que existe un tamaño de 85" único para esa región.

    IMG-20251211-WA0024.jpg

    Diseño, Multimedia, Ángulos de Visión y Audio:

    El diseño es idéntico físicamente a la C6K, plástico con todos los acabados simulando metal e incluso un logotipo de Premium QD LED. Los marcos son delgados, el tv en si es muy liviano y en color negro salvo el bizel inferior y más grueso de la tv que es gris El stand presenta la ya típica forma de 2 patas de gallo a los laterales, también de plástico. El filtro antireflejos del tv es satinado o semi-mate.
    Captura de pantalla 2026-03-07 110747.png

    Cuenta con un procesador de imagen llamado AIPQ Engine y corre Google TV como Sistema Operativo y cuenta con 2gb de RAM y 16gb de almacenamiento todo esto en la versión de Android 12. Con esto tenemos todo el abanico SMART de opciones de la propia Google. Lo cual le aporta mucho y nos ahorra el comprar un Chromecast 4K. La omisión clara es que el procesador ya no es el Pentonic 700 si no uno menor, esto repercute en el upscaling, gradiaciones y también fluidez del sistema.

    El control remoto integra un botón para el asistente de google, y accesos directos a plataformas como Youtube, Netflix y Prime Video, así como otro par para acceder a TCL Channel, navegador WEB y el Media Player del Tv el cual es muy eficiente. Además, se puede usar Apple Home Kit y Alexa como asistente de voz.

    Cuenta con bluetooth 5.4, Chromecast, Wifi 5, DLNA, grabación de HDD Disco duro Externo, el Sintonizador de nuestra región ISDB-T/DVB-T/DVB-T2 para señal abierta en HD.

    Cuenta con 3 puertos que son 3 HDMI 2.0 con HDCP 2.2, 1 usb 3.0, ethernet y 1 adaptador para entrada de componentes, jack de auriculares y salida óptica.

    El media player del TV es muy similar a reproducir en Kodi y como siempre reproduce de TODO en cuanto a archivos que se le pueden poner, para más información visiten: 64.5" TCL 65C6KS - Specifications

    Su ángulo de visión es mucho mejor que el típico VA, pero su nivel de contraste no es tan elevado como los VA convencionales, por ello el local dimming acá tendrá que ayudar a contrarrestar esto.

    El audio del tv es sobre el promedio contando con 2 bocinas de 10 W y un subwoofer de 20w que en su conjunto otorgan 2.1 Canales a 40 W con soporte a DTS HD, Dolby True HD, Dolby Atmos y DTS Virtual X. Además de estar firmado por ONKYO.

    Modos de Imagen, Resultados Pre-Calibración y Post Calibración:


    NOTA: En AVManíacos nos gusta la precisión en la imagen y para ello los tvs que pasan por el LAB son calibrados al estándar SDR Rec. 709 en 200/120 Nits día/noche respectivamente y seguimos el PQ EOTF de la SMPTE 2084 BT.2390 REC 2020/DCI P3 en HDR para realizar estas mediciones empleamos el software gratuito HCFR y contamos con Portrait Displays CALMAN además del colorímetro X-Rite i1 Display PRO HDR y el Calibrite Display Plus HL (CCDIS3PLHL). También se cuenta con el spectrofotómetro X-Rite i1 Publish Pro 2 para el perfilado. Utilizamos un generador de Patrones Pi PGenerator el cual es 8 bits/10 bits perfect en RGB Full, YCbCr 4:4:4 en video levels y YCbCr 4:4:2 10 bits con ColourSpace, a su vez empleamos los discos de calibración AVS709, GCD Gamut, Mascior, DVS HDR10/DolbyVision y yandex.

    https://sourceforge.net/projects/hcfr/
    Software - Portrait Displays
    ColourSpace | Info
    http://www.xrite.com/categories/calibration-profiling/i1-solutions
    Nuevos dispositivos de calibración del color - Calibrite - Spain
    Dedicated Raspberry Pi PGenerator Thread (Set-Up - Configuration - Updates & Special Features - General Usage Tips) | AVS Forum
    http://www.avsforum.com/forum/139-display-calibration/948496-avs-hd-709-blu-ray-mp4-calibration.html
    http://www.avsforum.com/forum/139-display-calibration/1406352-gcd-gamut-calibration-disk.html

    https://diversifiedvideosolutions.com/products.html

    El TCL C6KS tiene 6 modos de imagen: Dinámico, Estándar (Eco), Cine, Deportes, Inteligente y Juego.
    Para HDR cuenta con 6 que son HDR Dinámico, Estándar, Cine, Juego, Deportes e IMAX. Para Dolby Vision cuenta con 3 modos Película Brillo, Película Oscuro y Juego.

    Este año TCL arregló por fin el compartir LUT para SDR & HDR lo cual agradecemos, lo mismo hizo para toda su línea 2024 y 2025 mediante actualizaciones de firmware, incluso en la C6K introdujo el Filmmaker Mode.

    Los controles de calibración son funcionales en su mayoría, lo que destacamos es que con el último firmware el seguimiento de la PQ EOTF ha mejorado sustancialmente comparado a la C6K que revisamos sin filmmaker mode, ya no encontramos problemas serios en HDR felizmente.

    Breve explicación sobre los gráficos de las fotos:

    Números en verde es bueno, amarillo es tolerable y rojo es malo.

    Primer gráfico es escala de grises, parte superior aparece contraste, el promedio de error y el error máximo.

    Segundo gráfico es color, aparece el promedio de error y el máximo.

    Tercer y cuarto gráfico es el pico de nivel de sombras/negro y el nivel máximo de luminancia.

    Quinto gráfico: saturación de rojo. Parte baja la curva de luminancia y a su derecha la gamma.

    Sexto gráfico: saturación de verde. Parte baja Balance de RGB, lo correcto es que los tres niveles se aplanen en uno solo y la gamma sea lo más plana posible.

    Séptimo gráfico: saturación de azul. Parte baja Nivel RGB más grande.

    Octavo gráfico: saturación de amarillo. Parte baja temperatura de color, lo ideal es 6500k y plano.

    Noveno gráfico: saturación de cian, Parte baja Diagrama Delta de color y saturación con puntos.

    Décimo gráfico: saturación de magenta. Saturación de luminancia.

    Undécimo gráfico y demás: Color Checker comprobación de los colores y grafico de escala de gris RGB y Gamma EOTF.

    Duodécimo gráfico: CALMAN HDR Pre y Post CAL Calibraciones de HDR y Dolby Vision.

    SPECTRAL POWER DISTRIBUCIÓN:
    Captura de pantalla 2026-03-05 185704.png

    La tv presenta PSF Fósforo LCD el cual tiene una carga mayor de azul y verde si lo comparamos con la C6K.

    Para calibrarlo a nuestro target de noche, lo calibraremos a 100 nits y gamma 2.4 usando FULL FIELD Patterns, ahora veamos como viene el modo cine de fábrica:

    1.png

    3.png

    5.png

    7.png

    9.png

    11.png

    13.png

    15.png

    17.png

    19.png

    21.png

    23.png

    25.png

    27.png

    La tv nos da una luminancia de 172 nits la cual es muy elevado para el target, la escala de gris presenta errores mayores a 8.88 y tiene un tinte azul muy marcado, la gamma no está nada mal ya que inicia muy iluminada solo del 1 al 15% de gris, el balance RGB se excede en azul y ligeramente en rojo, la temperatura de color inicia en más de 11000k pero se estabiliza a 7000k a partir del 20%. La gamma ilumina las sombras del 0 al 15% de gris. El colorchecker tiene errores mayores a 3, con picos de casi 9 y muy marcados tonos de piel azulinos.
    El nivel de negro es 0.051cd/m2 con el local dimming apagado.

    Veamos los resultados tras calibrar:

    2.png

    4.png

    6.png

    8.png

    10.png

    12.png

    14.png

    16.png

    18.png

    20.png

    22.png

    24.png

    26.png

    28.png

    Se corrigió la luminancia a nuestro target, la escala de gris nos dio excelentes resultados con sólo el 5% de gris superando el error de 1.36, la gamma de la tv se aplano salvo el 1% al 9% de gris el cual muestra una carga alta de azul que ya no se pudo corregir, dándole un ligero aspecto a sombras algo azuladas, la temperatura de color si muy estable en los 6500k a partir del 10%, el balance RGB solo presenta problema en 1 al 10% algo que ya habíamos encontrado en la C6K que revisamos el año pasado, los color checker con ello quedaron con errores máximos de 2.09, y todos los tonos de piel encajaron perfectamente. El nivel de negro es 0.030cd/m2 dándonos un contraste nativo de 3367:1 en este panel HVA. Curiosamente superándo a la C6K de 55" que revisamos.
    La opción que recomendamos para SDR es usar LD ALTO. Porque sería la pregunta pues, la tv en bajo y medio realmente no atenúa del todo, así que para que conservemos un contraste mayor y más impacto en el nivel de negro, esta es la única opción que de verdad atenúa las zonas, aunque ya analizaremos después cómo se comporta esta opción.

    La tv en pantalla completa blanca da unos 520 nits con clipping.

    HDR (High Dynamic Range)
    Sabemos que el HDR en calibración aún no tiene display capaces de llegar a los 10 000nits y Rec2020 100% y aún los formatos no están del todo definidos como HDR10, HDR10+, HLG o Dolby Vision. Esta tv tiene todos los formatos mencionados a excepción del HDR10+ y probablemente no tenga ni Dolby Vision 2 ni HDR10+ Advanced.

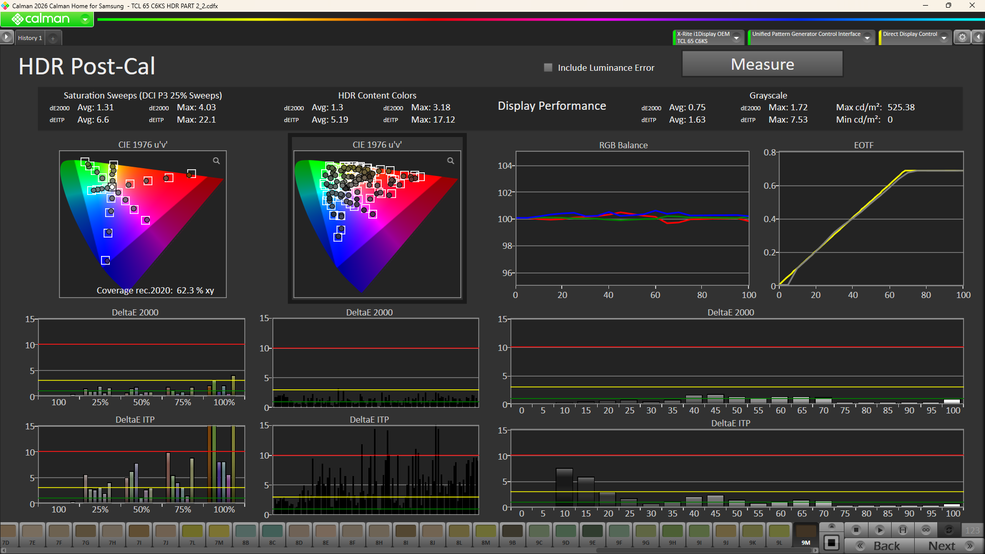
    La 65" TCL C6KS tiene un pico de 546 nits sin calibrar al D65 siguiendo el estándar de 10% HDR10, tras calibrar el tv llega a 525 nits esto fluctúa dependiendo la medición por % de ventanas así como el correcto seguimiento del EOTF como detallaremos con el software de CALMAN.

    Estos son los resultados de Cine HDR con la temperatura cálida 5 y gama de color 0 , sin calibrar:
    Sin errores de luminancia:
    PRE CAL SL.png

    Con errores de luminancia:
    PRE CAL CL.png

    Como en SDR vemos un claro exceso de azul en HDR. Ahora veamos la escala de grises más al detalle junto a la EOTF:
    PRE GS.png

    PRE CAL.png

    Ahora veamos el Color primero sin error de luminancia:
    PRE COLOR SL.png

    Con errores de luminancia:
    PRE COLOR CL.png

    Tras calibrar con 2 puntos, ajustamos también la gama de color a -1.
    Sin errores de luminancia:
    POST CAL SL.png

    Con errores de luminancia:
    POST CAL CL.png

    Corregida ya la escala de grises:
    POST GS.png

    POST CAL.png

    Ahora veamos el Color primero sin error de luminancia:
    POST COLOR SL.png

    Con luminancia:
    POST COLOR CL.png

    La cobertura de volumen de color es de 86% XY y 92% del uv del DCI-P3 y 62.3% XY y 70% del uv REC.2020 quedando entre sus competidores como el TCL C6K y la Sony Bravia 5.

    Resumen de comparativa del antes y el después:

    COMP 1.png

    COMP 2.png

    COMP 3.png

    COMP 4.png

    Este es un análisis especial del HDR en diferentes tipos de ventanas y como afecta al tracking EOTF y la escala de grises:

    Ventanas 2 HDR%:

    2%.png

    Ventanas 5 HDR%:

    5%.png

    Ventanas 10 HDR%:

    10%.png

    Ventanas 25 HDR%:

    25%.png

    Ventanas 50 HDR%:

    50%.png

    Ventanas 75 HDR%:

    75%.png

    Pantalla Completa HDR:

    100%.png

    Luminancia en HDR por ventanas:

    2% 293 nits.
    5% 472 nits.
    10% 525 nits.
    25% 758 nits.
    50% 725 nits.
    75% 551 nits.
    100% 469 nits.

    DOLBY VISION

    La C6KS tiene un pico máximo de brillo de 541 nits en el modo Dolby Vision Película Oscuro con un marcado tono azul, una vez calibrado a D65 se sitúa en unos 518 nits.

    Así vino de fábrica con la temperatura de color en CÁLIDO 5 y gama de color 0:
    PRE CAL.png

    PRE GS.png

    Como se puede apreciar los errores en la escala de grises son mayores a 7.6. La imagen presenta un fuerte tinte azul veremos cómo se corrige tras calibrar y veremos cómo queda la cobertura de color en DCI-P3:
    POST CAL.png

    POST GS.png

    POST COLOR.png

    La escala de gris salvo el 65% tienen errores menores a 2.1, el color checker mejoró teniendo como máximo un error de 5.1 y en el color en promedio menor a 2.8 lo cual son buenos resultados teniendo en cuenta que las mediciones se basan en DCI-P3 como se usa en Dolby Vision. La cobertura en XY es de 84.6 XY y unos 91% en uv. El seguimiento de la PQ EOTF Curva es muy bueno, sólo tuvimos que tocar el balance de 2 puntos y subir a 1 la gama de color.

    Resumen de comparativa del antes y el después:
    Relativo
    COMP 1.png
    Absoluto
    COMP 2.png

    Movimiento, Uniformidad y Conclusiones:

    El movimiento en la Tv es correcto, el tv hace 5:5 pulldown correcto al tener un panel de 120hz, incluso con las opciones apagadas. Además, tiene una opción de Black Frame Insertion a 60hz con el toggle de Aceleración Dinámica, se activa en 60 a 60p. El motion por ello a 24p no presenta judder en esta tv eso sí, además para la interpolación hay opciones bajo, medio, alto, movimiento cinematográfico que en 60p causa judder y un personalizado que solo tiene dejudder como opción, aquí podemos decir que la C6K si le saca una ventaja. Recomendamos para texto en forma de scroll activar el movimiento en bajo para darle mayor fluidez.

    Al ser un panel de 8bits + FRC encontraremos mayores problemas de gradaciones al no tener 10 bits reales, para ello TCL decide usar Smooth Gradation que incluso en el mínimo se come demasiado detalle así que decidimos apagarlo ya que produce que la definición decaiga demasiado y no nos sirve tener mejor gradación para ver mucho menos detalles. La uniformidad del panel es excelente, incluso con el Local Dimming apagado lo cual de por si al no tener banding nos demuestra que los HVA son una mejora respecto al convencional VA en este apartado.

    En SDR nos da una imagen con un local dimming que en ALTO muestra la mejor relación de rango dinámico ya que la imagen adquiere profundidad mientras que en bajo y medio el tv no atenúa demasiado, dando un efecto de imagen lavada, ya es en HDR donde más le cuesta disimular e incluso como hemos podido observar los primeros pasos de HDR tiene un black crush inevitable que se repite en Dolby Vision.

    El escalado sí que la tv queda lastrada por un procesador inferior al pentonic 700 de la C6K ni que decir XR Cognitive de la Sony Bravia 5, las apps internas ya no presentan judder felizmente, pero definitivamente a la tv no se le da muy bien el upscaling.

    En HDR es donde quizá encontramos la mejora versus la C6K que revisamos anteriormente, el seguimiento de la PQ EOTF suele oscurecer ligeramente la imagen debido a la atenuación del local dimming, pero nada grave como la mala implementación que tuvimos en la C6K, además el seguimiento en distintas ventanas sí que es algo para discutir ya que en ventanas pequeñas es muy opaco, sólo 292 nits al 2%, lo cual indica que el loca dimming es agresivo que suprime los highlights, lo mismo se repite a lo largo del seguimiento de la EOTF, por ello el impacto HDR es muy reducido cuando lo comparamos a una Bravia 5. Una ventaja es que la tv soporta sin problemas HDR10+ y utiliza el mismo lut de HDR10, por lo que no hay que tocar nada.

    En Dolby Vision que es usado por la mayoría de apps de streaming se repite lo de HDR10 pero el seguimiento de la EOTF es ligeramentem mejor, igual el color no queda nada mal tras calibrarse.

    Tenemos para los jugadores un Game Master con Barra de juegos. Soporta VRR activando la opción AMD FreeSync Premium Pro en el menú de entradas de HDMI y para conseguir el input lag más bajo se debe activar la opción ALTO de Contraste Local en el modo juego/PC. Soporta hasta 144hz con VRR a 1440p pero esto es más complicado de obtener en una gráfica nvidia.

    El input lag sería 9 ms SDR y HDR en 60p en modo juego y fuera de este modo 130 ms y cuando pasamos 1080/1440p/4k a 60hz es 9 ms y cuando se usa 120hz hasta 1440p se reduce a 7.5ms.
    Captura de pantalla 2026-03-07 165606.png
    En AVManíacos le damos el sello de Recomendado en Imagen SDR y Compra introductoria en HDR.
    Captura de pantalla 2026-03-07 164359.png
     
    A Jordan le gusta esto.
  2. abg360

    abg360 Calibrador de Video Miembro del equipo

    Review finalizado y les compartimos los parámetros de imágenes y recomendaciones, recuerden que cada panel es distinto y sólo recomendamos aplicar todo menos Balance de Blancos de 2, 10, 20 y 22 puntos y ajustes de CMS de Color, siempre será mejor contratar nuestro servicio de calibración.

    Settings del TV de la revisión:

    TCL 65 C6KS MODO CINE CALIBRADO
    CONFIGURACION DE BRILLO

    BRILLO 23
    CONTRASTE 79
    NIVEL DE NEGRO 50
    GAMA DE COLOR 2
    CONVERSION HDR AUTO OFF
    CONTRASTE DINAMICO OFF
    ENNEGRECER OFF
    ATENUACION LOCAL ALTO
    MICRO DIMMING OFF
    MODO ECO OFF

    COLOR
    SATURACION DE COLOR 50
    TINTE 50
    TEMPERATURA DE COLOR CALIDO 5
    MODO RGB OFF
    BALANCE DE BLANCOS
    2 PUNTOS -8 0 -16 0 0 0
    20 PUNTOS
    1 RGB -4 -5- 7
    2 RGB -1 0 -5
    3 RGB -2 -1 -3
    4 RGB -2 0 -2
    5 RGB -3 -1 -3
    6 RGB -5 -2 -3
    7 RGB -3 -2 -3
    8 RGB -4 -2 -3
    9 RGB -2 -3 -4
    10 RGB -1 0 -5
    11 RGB -2 0 -3
    12 RGB -2 -2 -2
    13 RGB -2 -2 -2
    14 RGB 0 -1 -1
    15 RGB -1 -1 -2
    16 RGB -1 -1 0
    17 RGB 0 0 0
    18 RGB 0 0 0
    19 RGB 0 0 0
    20 RGB 0 0 0
    ESPACIO DE COLOR PERSONALIZAR TODO POR DEFECTO

    DEFINICION
    DEFINICION 0
    REDUCCION RUIDO MPEG BAJO (Contenido <1080p) OFF 4K
    REDUCCION DE RUIDO OFF
    SIN GRADACION OFF

    MOVIMIENTO
    MOVIMIENTOS DEFINIDOS OFF EN 24P y BAJO a 30/60p.
    ACELERACION DINAMICA OFF
    FILTRO DE LUZ AZUL OFF

    TCL 65 C6KS MODO CINE HDR CALIBRADO
    CONFIGURACION DE BRILLO

    BRILLO 100
    CONTRASTE 100
    NIVEL DE NEGRO 50
    GAMA DE COLOR -1
    CONVERSION HDR AUTO OFF
    MAPEO DE TONOS DINAMICOS PRIORIDAD DETALLE
    CONTRASTE DINAMICO OFF
    ENNEGRECER OFF
    ATENUACION LOCAL ALTO
    MICRO DIMMING OFF
    MODO ECO OFF

    COLOR
    SATURACION DE COLOR 50
    TINTE 50
    TEMPERATURA DE COLOR CALIDO 5
    MODO RGB OFF
    BALANCE DE BLANCOS
    2 PUNTOS 0 -4 -21 -1 0 0 0
    20 PTOS OFF
    ESPACIO DE COLOR PERSONALIZAR TODO DEFAULT

    DEFINICION
    DEFINICION 0
    REDUCCION RUIDO MPEG BAJO (Contenido <1080p) OFF 4K
    REDUCCION DE RUIDO OFF
    SIN GRADACION OFF

    MOVIMIENTO
    MOVIMIENTOS DEFINIDOS OFF EN 24P y BAJO a 30/60p.
    ACELERACION DINAMICA OFF
    FILTRO DE LUZ AZUL OFF

    TCL 65 C6KS DOLBY VISION PELICULA OSCURO CALIBRADO
    CONFIGURACION DE BRILLO

    BRILLO 100
    CONTRASTE 100
    NIVEL DE NEGRO 50
    GAMA DE COLOR 1
    CONVERSION HDR AUTO OFF
    MAPEO DE TONOS OFF DETALLE LOCK
    CONTRASTE DINAMICO OFF
    ENNEGRECER OFF
    ATENUACION LOCAL ALTO
    MICRO DIMMING OFF
    MODO ECO OFF

    COLOR
    SATURACION DE COLOR 50
    TINTE 50
    TEMPERATURA DE COLOR CALIDO 5
    MODO RGB OFF
    BALANCE DE BLANCOS
    2 PUNTOS 0 -4 -21 -1 0 0 0
    ESPACIO DE COLOR PERSONALIZAR DEFECTO

    DEFINICION
    DEFINICION 0
    REDUCCION RUIDO MPEG BAJO (Contenido <1080p) OFF 4K
    REDUCCION DE RUIDO OFF
    SIN GRADACION OFF

    MOVIMIENTO
    MOVIMIENTOS DEFINIDOS OFF EN 24P y BAJO a 30/60p.
    ACELERACION DINAMICA OFF
    FILTRO DE LUZ AZUL OFF
     
    A Jordan le gusta esto.

Compartir esta página